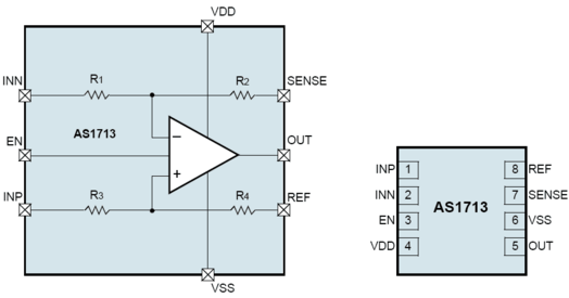
PinoutDescriptionThe AS1713 is a low cost cmos difference amplifier providing extended common mode voltage range for a single rail 5V supply. Resistor AS1713 trimming during final test ensures a typical common mode rejection of 60dB. Low input bias currents, 10MHz gain bandwidth, low total harmoni...
AS1713: PinoutDescriptionThe AS1713 is a low cost cmos difference amplifier providing extended common mode voltage range for a single rail 5V supply. Resistor AS1713 trimming during final test ensures a typ...
SeekIC Buyer Protection PLUS - newly updated for 2013!
268 Transactions
All payment methods are secure and covered by SeekIC Buyer Protection PLUS.

The AS1713 is a low cost cmos difference amplifier providing extended common mode voltage range for a single rail 5V supply. Resistor AS1713 trimming during final test ensures a typical common mode rejection of 60dB. Low input bias currents, 10MHz gain bandwidth, low total harmonic distortion (THD) and a rail-to-rail output drive capability of typically 200mA (@ 5V supply) provide support for a number of signal processing applications such as audio line receivers, ground loop breakers and current sensing. Linearity is suitable for 12bit ADC measurement.
A classical single amplifier AS1713 approach ensures that the differential gain is determined by a simple ratio of two internal resistors. A fixed gain of x1 is available.
Single ended input resistance is equalised (10k ±10%) at each input terminal. This feature provides additional common mode rejection when long balanced input cables connect at the input.
A EN pin reduces the quiescent current of the device.