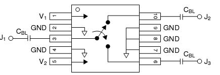
Features: Positive Voltage Control (0/+3, +5 V) High Isolation (50 dB @ 0.9, 1.9 GHz)Low DC Power Consumption Ideal for GSM, PCS, 3G and ISM 2.4 GHz Applications Miniature Low Cost MSOP-10 Plastic PackagePinoutSpecifications Characteristic Value RF Input Power 1 W Max. > 500 MHz0/+8 V...
AS177-86: Features: Positive Voltage Control (0/+3, +5 V) High Isolation (50 dB @ 0.9, 1.9 GHz)Low DC Power Consumption Ideal for GSM, PCS, 3G and ISM 2.4 GHz Applications Miniature Low Cost MSOP-10 Plastic P...
SeekIC Buyer Protection PLUS - newly updated for 2013!
268 Transactions
All payment methods are secure and covered by SeekIC Buyer Protection PLUS.
Positive Voltage Control (0/+3, +5 V)
High Isolation (50 dB @ 0.9, 1.9 GHz)
Low DC Power Consumption
Ideal for GSM, PCS, 3G and ISM 2.4 GHz Applications
Miniature Low Cost MSOP-10 Plastic Package

| Characteristic | Value |
| RF Input Power | 1 W Max. > 500 MHz 0/+8 V Control |
| Supply Voltage | +8 V |
| Control Voltage | -0.2 V, +8 V |
| Operating Temperature | -40°C to +85°C |
| Storage Temperature | -65°C to +150°C |
| JC | 25°C/W |