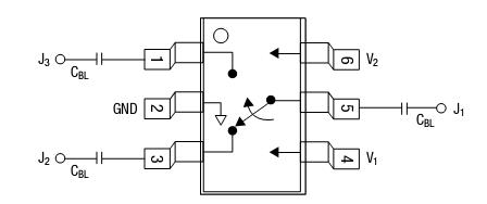
Features: Low insertion loss (0.4 dB @ 2.4 GHz)Isolation 22 dB @ 2.4 GHzLow DC power consumptionPHEMT processOperates with 1.8 V control voltageApplicationT/R switch in WLANs,Bluetooth(R)and medium power telecommunication applicationsPinoutDescription The AS213-92 is a medium power IC FET SPDT sw...
AS213-92: Features: Low insertion loss (0.4 dB @ 2.4 GHz)Isolation 22 dB @ 2.4 GHzLow DC power consumptionPHEMT processOperates with 1.8 V control voltageApplicationT/R switch in WLANs,Bluetooth(R)and medium ...
SeekIC Buyer Protection PLUS - newly updated for 2013!
268 Transactions
All payment methods are secure and covered by SeekIC Buyer Protection PLUS.

The AS213-92 is a medium power IC FET SPDT switch in a low cost miniature SC-70 6 lead plastic package.The
AS213-92 features low insertion loss and positive voltage operation with very low DC power consumption.This
general purpose switch can be used in a variety of telecommunications applications.