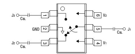
Features: Low insertion loss (0.4 dB @ 2.4 GHz)Isolation 26 dB @ 2.4 GHzLow DC power consumptionPHEMT processOperates at 1.8 V control voltageApplicationT/R switch in WLANs,BluetoothTM and medium power telecommunication applicationsPinoutDescriptionThe AS214-92 is a medium power IC FET SPDT switch...
AS214-92: Features: Low insertion loss (0.4 dB @ 2.4 GHz)Isolation 26 dB @ 2.4 GHzLow DC power consumptionPHEMT processOperates at 1.8 V control voltageApplicationT/R switch in WLANs,BluetoothTM and medium po...
SeekIC Buyer Protection PLUS - newly updated for 2013!
268 Transactions
All payment methods are secure and covered by SeekIC Buyer Protection PLUS.

The AS214-92 is a medium power IC FET SPDT switch in a low cost miniature SC-70 6 lead plastic package.The AS214-92 fea-tures low insertion loss and positive voltage operation with very low DC power consumption.This general purpose switch can be used in a variety of telecommunications applications.