Features: · Line/speech circuit, LD/MF repertory dialler and tone ringer on one 28 pin CMOS chip· Operating range from 13 to 100 mA (down to 5 mA with reduced performance)· Soft clipping to avoid harsh distortion· Volume control of receive signal· Line loss compensation selectable by pin option· L...
AS2534: Features: · Line/speech circuit, LD/MF repertory dialler and tone ringer on one 28 pin CMOS chip· Operating range from 13 to 100 mA (down to 5 mA with reduced performance)· Soft clipping to avoid ha...
SeekIC Buyer Protection PLUS - newly updated for 2013!
268 Transactions
All payment methods are secure and covered by SeekIC Buyer Protection PLUS.


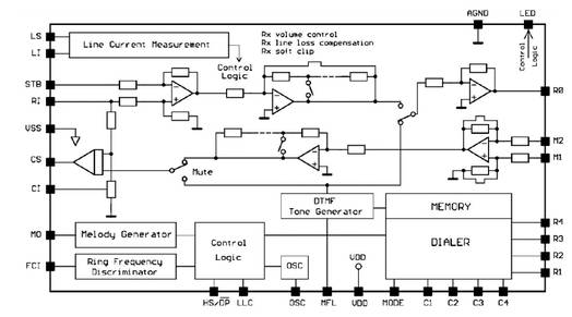
The AS253x is a CMOS integrated circuit that contains all the functions needed to form a high performance electronic telephone.
AS2534 incorporates LD/MF repertory dialling, melody generation, ring frequency discrimination and a high quality line/speech circuit.
A RAM is on chip for a 31 digit last number redial and memories (not AS2534) each containing up to 21 digits/data. The sliding cursor procedure makes the LNR function easy to use under various PABX systems. Also centrex keys (not AS2535) are provided.
AS2534 incorporate a volume control for the earpiece. The volume can be controlled by the VOL key (+ 5.4 dB) or by the /+ keys (+8.1 dB/-5.4 dB in 5 steps).
The versatility of the circuit is provided by pin options and a few external components. AS2534 allows easy adaptation to different PTT requirements.
The AS253x is a very flexible CMOS integrated circuit family that contains all the functions needed to build a high performance electronic telephone set with basic features.
The AS253x incorporates a line interface, a speech circuit, a dialler and ringer. It is a real single-chip / single-die IC with 28 pins. It allows either package mounting or chip-onboard mounting.
AS2534 is available in 4 versions (pin-compatible) with different features ranging from LNR only (last number redial) to 4 direct (one-touch) memories and 10 indirect (two-touch) memories. The sliding cursor procedure makes the LNR function easy to use under various PABX systems.
The versatility of the circuit is provided by pin options and a few external components. AS2534 allows fast time-to-market and easy adaptation to different PTT requirements. A unique EMI performance has been achieved due to the consequent use of CMOS amplifiers.