Features: ` Interface Device to connect Actuators and Sensors to an AS-Interface Bus` Conforms to AS-Interface Spec. V2.11` DC Power Extraction from the AS-Interface Bus` Serial bidir. Data Communication with the Bus` Data Communication Watchdog` 4-Bit bidir. Data Port plus Strobe to poll the Sens...
AS2702: Features: ` Interface Device to connect Actuators and Sensors to an AS-Interface Bus` Conforms to AS-Interface Spec. V2.11` DC Power Extraction from the AS-Interface Bus` Serial bidir. Data Communic...
SeekIC Buyer Protection PLUS - newly updated for 2013!
268 Transactions
All payment methods are secure and covered by SeekIC Buyer Protection PLUS.

|
Symbol |
Parameter |
Min |
Max |
Unit |
Note |
|
VLTGP |
Voltage at the positive supply pin |
-0.3 |
40 |
V |
1 |
|
VCDC |
Volage at pin for ext. buffer capacitor |
-0.3 |
VLTGP + 0.3V |
V |
|
|
VU5R |
Input current at any pin, except for LTGP,CDC |
- 0.3 |
7 |
V |
|
|
Iin |
Input Current on every Pin |
-50 |
50 |
mA |
2 |
|
ESD1 |
Electrostatic discharge voltage |
1500 |
V |
3 | |
|
ESD2 |
Electrostatic discharge voltage |
200 |
V |
4 | |
|
STG |
Storing temperature |
-55 |
125 |
V |
|
|
lead |
Soldering temperature |
260 |
°C |
5 | |
|
Ptot |
Max. power dissipation |
1 |
W |
6 | |
|
RTHJA |
Thermal resistance SOIC 16 |
61.2 |
74.8 |
K/W |
7 |
|
RTHJA |
Thermal resistance SOIC 20 |
58.5 |
71.5 |
K/W |
7 |
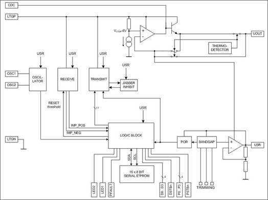
AS2702 (SAP4.1) is a new generation AS-interface slave device conforming to AS-interfacespecification V2.11, which supports AS-interface bus systems with up to 62 slave modules.
Each slave module is equipped with an AS2702 device, which interfaces the module to the unshielded 2-wire AS-interface bus for serial bidirectional data communication and power extraction.
Data communication of AS2702 over the AS-interface bus takes place in master slave fashion, which foresees that all slave devices AS2702 connected to the bus are sequentially and cyclicly addressed by a single, central master unit. Data on the AS-interface bus are Manchester encoded and can be found as sin2-pulses with a Vpp of between 3V and 8V on top of the bus' dc voltage of nominally 30V.
AS2702 regulates the nominal dc bus voltage of 30V internally down to 5V to supply it's internal circuitry including a 16 x 8 bits EEPROM, as well as down to a nominal supply level 24V with a max. loading of 50 mA for the actuators and sensors connected to it at the field side.
Each slave device AS2702 may interface to up to 4 sensors or 3 actuators. An AS-interface bus system based on AS2702 may hence link as many as 248 sensors or 186 actuators to a single master unit.
Slave device AS2702 (SAP4.1) is system compatible with predecessor device AS2701A (ISA3+): slave modules equipped with AS2702 (SAP4.1) will run in existing AS-interface bus systems based on AS2701A (ISA3+).
The AS-interface concept is well established as a standardized digital bus system for industrial automation.