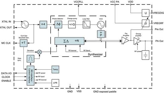
PinoutDescriptionThe AS3977 is a low-power fully integrated ETSI, FCC and ARIB compliant FSK transmitter capable of operating at any ISM frequency in the range of 300 to 928 MHz. It is based on a sigma-delta controlled fractional-N synthesiser phase locked loop with fully integrated voltage contro...
AS3977: PinoutDescriptionThe AS3977 is a low-power fully integrated ETSI, FCC and ARIB compliant FSK transmitter capable of operating at any ISM frequency in the range of 300 to 928 MHz. It is based on a si...
SeekIC Buyer Protection PLUS - newly updated for 2013!
268 Transactions
All payment methods are secure and covered by SeekIC Buyer Protection PLUS.

The AS3977 is a low-power fully integrated ETSI, FCC and ARIB compliant FSK transmitter capable of operating at any ISM frequency in the range of 300 to 928 MHz. It is based on a sigma-delta controlled fractional-N synthesiser phase locked loop with fully integrated voltage controlled oscillator. The power amplifier output of AS3977 is programmable and can deliver output power ranging from 20dBm up to +10dBm. An on-chip low drop-out regulator is available in case an accurate output power independent of voltage supply variation is required.
The output signal of AS3977 can be shaped using a programmable Gaussian filter to minimise the occupied bandwidth and adjacent channel power. The maximum data rate can be up to 100 kb/s depending on the required filtering.
The FSK frequency deviation of AS3977 is programmable up to a maximum of 64kHz.
The AS3977 can handle a wide range of frequencies. For narrow-band applications a temperature sensor with digital read-out is included that allows compensation of the crystal frequency drift due to temperature variation.
The AS3977 is connected to an external microcontroller via a bi-directional digital interface. The device operates at very low current consumption with a power supply range from 2.0V to 3.6V and can be powered down when not in use.
The AS3977 is fabricated in austriamicroystems advanced 0.35um SiGe-BiCMOS technology.