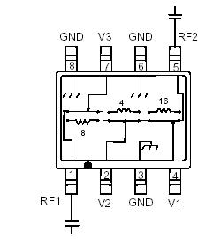
Features: · Single Control CMOS Logic for each bit· Positive Supply +3 to +5 Volts· Low Cost SOIC-8 Plastic Package· Tape and Reel Packaging AvailablePinoutSpecifications Parameter Absolute Maximum Max. Input Power 50 MHz 500-2000 MHzSupply VoltageControl VoltageOperating TemperatureS...
AT-242: Features: · Single Control CMOS Logic for each bit· Positive Supply +3 to +5 Volts· Low Cost SOIC-8 Plastic Package· Tape and Reel Packaging AvailablePinoutSpecifications Parameter Absolut...
SeekIC Buyer Protection PLUS - newly updated for 2013!
268 Transactions
All payment methods are secure and covered by SeekIC Buyer Protection PLUS.

|
Parameter |
Absolute Maximum |
| Max. Input Power 50 MHz 500-2000 MHz Supply Voltage Control Voltage Operating Temperature Storage Temperature |
+27 dBm +34 dBm -1V, +8V -1V, Vsupply +0.5V 40°C to +85°C 65°C to +150°C |