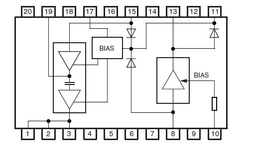
Features: • High-power-added Efficient Power Amplifier (Pout Typically 29 dBm)• Controlled Output Power• Low-noise Preamplifier (NF Typically 1.5 dB)• Few External Components• PSSO20 Plastic Package with Down-set PaddlePinoutSpecificationsAll voltages are referred to ...
ATR0981: Features: • High-power-added Efficient Power Amplifier (Pout Typically 29 dBm)• Controlled Output Power• Low-noise Preamplifier (NF Typically 1.5 dB)• Few External Components...
SeekIC Buyer Protection PLUS - newly updated for 2013!
268 Transactions
All payment methods are secure and covered by SeekIC Buyer Protection PLUS.

| Parameters | Symbol | Min. | Max. | Unit |
| Supply voltage PA, TX, pins 1, 2, 3, 11, 19 | VS_PA | 5 | V | |
| Supply voltage LNA, RX, pin 13 | VS_LNA | 2.8 | V | |
| PA control voltage, TX, pin 17 | VCNTL | 5 | V | |
| Junction temperature | Tjmax | 150 | °C | |
| Storage temperature | TStg | 55 | +125 | °C |
| Electrostatic handling HMB, all RF pins | VESD | 200 | V | |
| Electrostatic handling HMB, all control pins | VESD | 2 | kV |
The ATR0981 is a monolithic IC manufactured using Atmel's advanced SiGe technology. The IC performs a transmit and receive front-end function, dedicated for a frequency range of 300 MHz to 500 MHz. It consists of a Low-Noise Amplifier (LNA) and a Power Amplifier (PA) with good Power-added Efficiency (PAE).