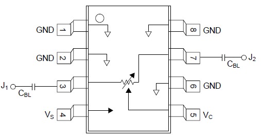
Features: · Single Positive +5 V Control Voltage· 35 dB Attenuation Range @ 0.9 GHz· Excellent Linearity PerformancePinoutSpecificationsRF Input Power 50 mW > 500 MHzSupply Voltage+4 to +8 VControl Voltage -0.2 V < VC < VS +0.2 VOperating Temperature -40°C to +85°CStorage Temperature -65°...
AV105-12: Features: · Single Positive +5 V Control Voltage· 35 dB Attenuation Range @ 0.9 GHz· Excellent Linearity PerformancePinoutSpecificationsRF Input Power 50 mW > 500 MHzSupply Voltage+4 to +8 VContr...
SeekIC Buyer Protection PLUS - newly updated for 2013!
268 Transactions
All payment methods are secure and covered by SeekIC Buyer Protection PLUS.

The AV105-12 GaAs IC FET voltage variable attenuator provides 35 dB attenuation range at 900 MHz controlled by a single positive voltage.The VVA has a linear transfer curve of 8 dB/V slope, with input and output VSWR better than 1.4:1 over all states. Its attenuation range at 1900 MHz is 31 dB. It operates with supply voltage of +5 V and control voltage of 0 V to +5 V in a low cost SOIC-8 package. The RF ports require 25 pF DC blocking capacitors.