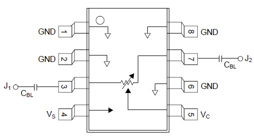
Features: · Single Positive +3 V Control Voltage· 35 dB Attenuation Range @ 0.9 GHz·Excellent Linearity PerformancePinoutSpecificationsRF Input Power 50 mW > 500 MHzSupply Voltage +7 VControl Voltage +3.3 VOperating Temperature -40°C to +85°CStorage Temperature -65°C to +150°CJC 25°C/WDescripti...
AV106-12: Features: · Single Positive +3 V Control Voltage· 35 dB Attenuation Range @ 0.9 GHz·Excellent Linearity PerformancePinoutSpecificationsRF Input Power 50 mW > 500 MHzSupply Voltage +7 VControl Vol...
SeekIC Buyer Protection PLUS - newly updated for 2013!
268 Transactions
All payment methods are secure and covered by SeekIC Buyer Protection PLUS.

The AV106-12 GaAs IC FET voltage variable attenuator provides 35 dB attenuation range at 900 MHz controlled by a single positive voltage.The VVA has a linear transfer curve of 12 dB/V slope, with input and output VSWR better than 2:1 over all states. Its attenuation range at 1900 MHz is 25 dB. It operates with supply voltage of +3 V and control voltage of 0 V to +3 V in a low cost SOIC-8 package.The RF ports require 25 pF DC blocking capacitors.