Features: Single Positive 3 V Control Voltage 35 dB Attenuation Range @ 0.9 GHz Excellent Linearity PerformancePinoutSpecificationsRF Input Power 50 mW > 500 MHzSupply Voltage+7 VControl Voltage +3.3 VOperating Temperature -40°C to +85°CStorage Temperature-65°C to +150°CJC 25°C/WDescription...
AV109-73: Features: Single Positive 3 V Control Voltage 35 dB Attenuation Range @ 0.9 GHz Excellent Linearity PerformancePinoutSpecificationsRF Input Power 50 mW > 500 MHzSupply Voltage+7 VControl Volt...
SeekIC Buyer Protection PLUS - newly updated for 2013!
268 Transactions
All payment methods are secure and covered by SeekIC Buyer Protection PLUS.

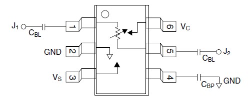
The AV109-73 GaAs IC FET voltage variable attenuator provides 35 dB attenuation range at 900 MHz controlled by a single positive voltage.The VVA has a linear transfer curve of 12 dB/V slope, with input and output VSWR better than 2:1 over all states. It operates with supply voltage of +3 V and control voltage of 0 V to +3 V in a low cost SOT-6 package. The RF ports require 25 pF DC blocking capacitors. In addition, an external grounding capacitor is required.