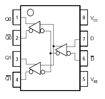
Features: • 375ps Propagation Delay• 1.6V Output Swing• Internal Input Pulldown Resistors• Operating Range of 4.2V to 5.7V• Direct Replacement for ON Semiconductor MC10EL89• Transistor Count = 29 devicesPinout Specifications Symbol Characteristicc Rating ...
AZ10EL89: Features: • 375ps Propagation Delay• 1.6V Output Swing• Internal Input Pulldown Resistors• Operating Range of 4.2V to 5.7V• Direct Replacement for ON Semiconductor MC10...
SeekIC Buyer Protection PLUS - newly updated for 2013!
268 Transactions
All payment methods are secure and covered by SeekIC Buyer Protection PLUS.

| Symbol | Characteristicc | Rating | Unit |
| VCC | PECL Power Supply (VEE = 0V) | 0 to +8.0 | Vdc |
| VI | PECL Input Voltage (VEE = 0V) | 0 to +6.0 | Vdc |
| VEE | ECL Power Supply (VCC = 0V) | -8.0 to 0 | Vdc |
| VI | ECL Input Voltage (VCC = 0V) | -6.0 to 0 | Vdc |
| IOUT | Output Current --- Continuous | 50 | mA |
| --- Surge | 100 | ||
| TA | Operating Temperature Range | -40 to +85 | °C |
| TSTG | Storage Temperature Range | -65 to +150 | °C |