PinoutSpecificationsStorage TemperaturePlastic Packages . . . . . . . . . . . . ...... . . 65 to +150Ambient Temperaturewith Power Applied. . . . . . . . . . . . .... . 55 to +125Voltage with Respect to GroundVCC (Note 1) . . . . . . . . . . . . . ......... . .2.0 V to +7.0 VA9, OE#, andRESET# (No...
Am29F200B: PinoutSpecificationsStorage TemperaturePlastic Packages . . . . . . . . . . . . ...... . . 65 to +150Ambient Temperaturewith Power Applied. . . . . . . . . . . . .... . 55 to +125Voltage with Respec...
SeekIC Buyer Protection PLUS - newly updated for 2013!
268 Transactions
All payment methods are secure and covered by SeekIC Buyer Protection PLUS.

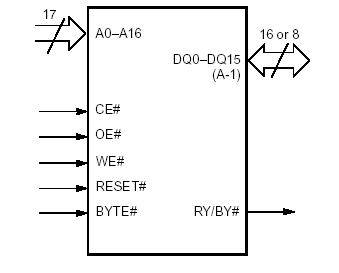
The Am29F200B is a 2 Mbit, 5.0 Volt-only Flash memory organized as 262,144 bytes or 131,072 words. The 8 bits of data appear on DQ0DQ7; the 16 bits on DQ0DQ15. The Am29F200B is offered in 44-pin SO and 48-pin TSOP packages. The device is also available in Known Good Die (KGD) form. For more information, refer to publication number 21257. This device is designed to be programmed in-system with the standard system 5.0 volt VCC supply. A 12.0 volt VPP is not required for program or erase operations. The device can also be reprogrammed in standard EPROM programmers.
Am29F200B is manufactured using AMD's 0.32 µm process technology, and offers all the features and benefits of the Am29F200A, which was manufactured using 0.5 µm process technology.
The standard device offers access times of 45, 50, 55, 70, 90, and 120 ns, allowing operation of high-speed microprocessors without wait states. To eliminate bus contention the device has separate chip enable (CE#), write enable (WE#) and output enable (OE#) controls.