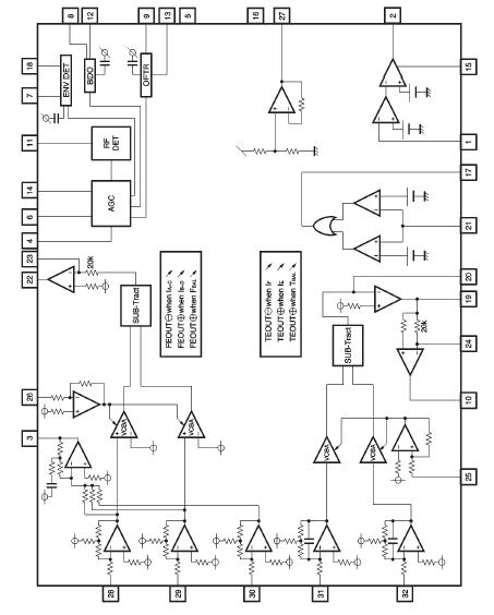
Features: 1) Supports hologram picks.2) Internal APC circuit for laser control.3) DC control enables balance adjustment for focus error and tracking error.4) Maintains the output amplitude at a constant value with an RF AGC circuit.5) Switchable equalizer (internal normal speed and multiple speed ...
BA6354BFS: Features: 1) Supports hologram picks.2) Internal APC circuit for laser control.3) DC control enables balance adjustment for focus error and tracking error.4) Maintains the output amplitude at a cons...
SeekIC Buyer Protection PLUS - newly updated for 2013!
268 Transactions
All payment methods are secure and covered by SeekIC Buyer Protection PLUS.
1) Supports hologram picks.
2) Internal APC circuit for laser control.
3) DC control enables balance adjustment for focus error and tracking error.
4) Maintains the output amplitude at a constant value with an RF AGC circuit.
5) Switchable equalizer (internal normal speed and multiple speed equalizer).

