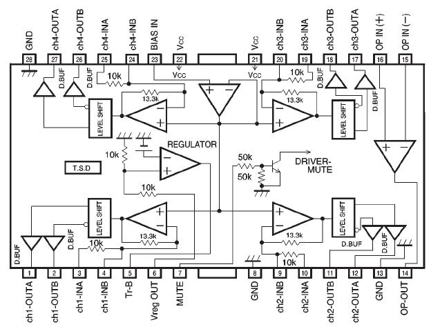
Features: 28-pin HSOP package allows for miniaturization of applications. Low number of external components. Driver gain is adjustable with a single attached resistor. Internal 5V regulator. (requires attached PNP transistor) Internal standard operational amplifier. Internal thermal shutdown circu...
BA6398FP: Features: 28-pin HSOP package allows for miniaturization of applications. Low number of external components. Driver gain is adjustable with a single attached resistor. Internal 5V regulator. (requir...
SeekIC Buyer Protection PLUS - newly updated for 2013!
268 Transactions
All payment methods are secure and covered by SeekIC Buyer Protection PLUS.
28-pin HSOP package allows for miniaturization of applications.
Low number of external components.
Driver gain is adjustable with a single attached resistor.
Internal 5V regulator. (requires attached PNP transistor)
Internal standard operational amplifier.
Internal thermal shutdown circuit.

| Parameter | Symbol | Limits | Unit |
| Power supply voltage | Vcc |
18 | V |
| Power dissipation | Pd | 1.7*1 | W |
| Operating temperature | Topr | -35~+85 | |
| Storage temperature | Tstg | -55~+150 |
The BA6398FP is a 4-channel BTL driver for CD player motors and actuators. This IC has an internal 5V regulator, and is suited to a wide range of applications.