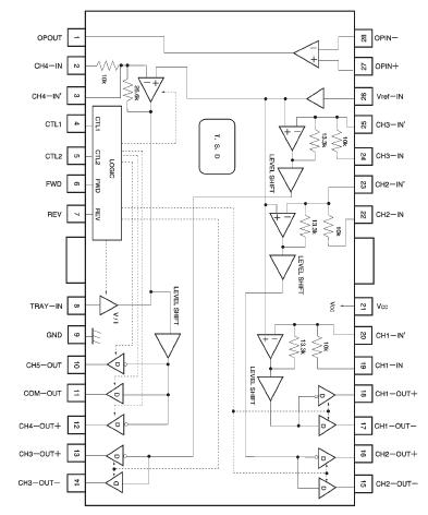
Features: A 5-channel BTL driver in a HSOP 28-pin package, allowing for application miniaturization. Five drivers are turned on and off according to the combination of control pin logic. The tray driver operates even when the servo power supply drops. Internal thermal shutdown circuit. Gain is adj...
BA6996FP: Features: A 5-channel BTL driver in a HSOP 28-pin package, allowing for application miniaturization. Five drivers are turned on and off according to the combination of control pin logic. The tray dr...
SeekIC Buyer Protection PLUS - newly updated for 2013!
268 Transactions
All payment methods are secure and covered by SeekIC Buyer Protection PLUS.
US $.42 - .42 / Piece
Motor / Motion / Ignition Controllers & Drivers 1-PHASE MOTOR DRIVER 8-PIN
A 5-channel BTL driver in a HSOP 28-pin package, allowing for application miniaturization.
Five drivers are turned on and off according to the combination of control pin logic.
The tray driver operates even when the servo power supply drops.
Internal thermal shutdown circuit.
Gain is adjustable with an attached resistor.
Internal standard operational amplifier.
Supports low-voltage servos.

| Parameter | Symbol | Limits | Unit |
| Power supply voltage | Vcc |
18 | V |
| Power dissipation | Pd | 1.7* | W |
| Operating temperature | Topr | -35~+85 | |
| Storage temperature | Tstg | -55~+150 |
The BA6996FP, an IC designed for CD and MD players, has a 5-channel BTL power driver and a standard operational amplifier. The spindle and tray driver share a single output buffer, and are specified with a control pin. In addition, the internal level shift circuit reduces the number of attached components.