Features: Operates on a single 5V power supply, with low power consumption. Synchronization signal existence and polarity detec-tion output. Adjustable clamp pulse width, allowing for the selec-tion of front or back editing. Vertical synchronization separation is based on hori-zontal frequency ...
BA7078AS: Features: Operates on a single 5V power supply, with low power consumption. Synchronization signal existence and polarity detec-tion output. Adjustable clamp pulse width, allowing for the selec-ti...
SeekIC Buyer Protection PLUS - newly updated for 2013!
268 Transactions
All payment methods are secure and covered by SeekIC Buyer Protection PLUS.
Operates on a single 5V power supply, with low power consumption.
Synchronization signal existence and polarity detec-tion output.
Adjustable clamp pulse width, allowing for the selec-tion of front or back editing.
Vertical synchronization separation is based on hori-zontal frequency tracking, for separation starting at 1H.
Minimal attached components.

| Parameter | Symbol | Limits | Unit |
| Power supply voltage | VCC |
7.0 | V |
| Power dissipation | Pd | *1450(BA7078AF) |
mW |
| *2600(BA7078AS) | |||
| Operating temperature | Topr | −25 to +75 | |
| Storage temperature | Tstg | −55 to +125 |
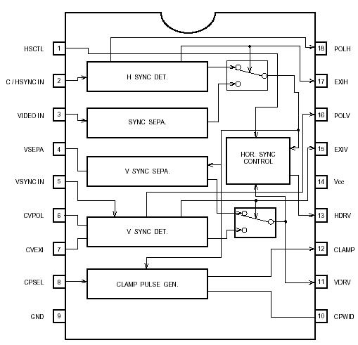
The BA7078AF is a synchronization signal processing LSI chip designed for multiscan high-definition displays. It generates a synchronization signal and clamp pulse for three types of input signals: separate synchronization, composite synchronization, and synchronization on video.