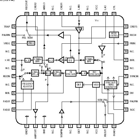
Features: All filters required for SECAM chroma signal processing are provided. Built-in chroma killer circuit. Built-in switch circuit for selecting PAL chroma or SECAM chroma for the PB / REC system output.Application SECAM and VHS format video cassette recorders and camcordersPinoutSpecificatio...
BA7207AK: Features: All filters required for SECAM chroma signal processing are provided. Built-in chroma killer circuit. Built-in switch circuit for selecting PAL chroma or SECAM chroma for the PB / REC syst...
SeekIC Buyer Protection PLUS - newly updated for 2013!
268 Transactions
All payment methods are secure and covered by SeekIC Buyer Protection PLUS.
All filters required for SECAM chroma signal processing are provided.
Built-in chroma killer circuit.
Built-in switch circuit for selecting PAL chroma or SECAM chroma for the PB / REC system output.

| Parameter | Symbol | Limits | Unit | |
| Power supply voltage | Vcc | 7 | V | |
| Power dissipation | BA7207AS | Pd | 1400 (SDIP32)*1 | mW |
| BA7207AK | 850 (QFP44)*2 | |||
| Operating temperature | BA7207AS | Topr | 25 ~ + 75 | |
| BA7207AK | 25 ~ + 65 | |||
| Storage temperature | Tstg | 55 ~ + 125 | ||
The BA7207AS and BA7207AK are LSI components that incorporate the contain circuitry required for SECAM chroma signal processing. The ICs have both recording and playback systems and each includes a bell filter, a bandpass filter, a limiter amplifier, a multiply-by-four circuit, a divide-by-four circuit, and a sync-gate circuit.