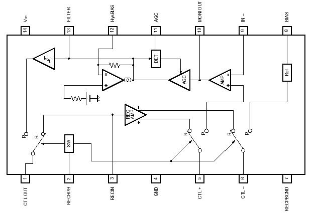
Features: Can be operated off low power supply voltage (2.7V to 3.5V). Playback amplifier with AGC. Fast switching between recording and playback.Application VHS-format VCRsPinoutSpecifications Parameter Symbol Limits Unit Power supply voltage Vcc 8.0 V Power dissipation Pd 45...
BA8400FV: Features: Can be operated off low power supply voltage (2.7V to 3.5V). Playback amplifier with AGC. Fast switching between recording and playback.Application VHS-format VCRsPinoutSpecifications ...
SeekIC Buyer Protection PLUS - newly updated for 2013!
268 Transactions
All payment methods are secure and covered by SeekIC Buyer Protection PLUS.
Can be operated off low power supply voltage (2.7V to 3.5V).
Playback amplifier with AGC.
Fast switching between recording and playback.

| Parameter | Symbol | Limits | Unit |
| Power supply voltage | Vcc |
8.0 | V |
| Power dissipation | Pd | 450* | mW |
| Operating temperature | Topr | -25~+75 | |
| Storage temperature | Tstg | -55~+125 |
The BA8400FV is a CTL recording / playback amplifier developed for VHS VCRs. The playback amplifier has an AGC circuit that can handle large input signal fluctuations, and a recording / playback switching circuit is provided to allow high-speed switching.