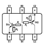
Features: • Switching circuit, inverter, interface circuit,drive circuit• Two (galvanic) internal isolated NPN/PNP Transistor in one package• Built in bias resistor (R1=10k, R2=47k)PinoutSpecifications Parameter Symbol Values Unit Collector-emitter voltage VCEO 5...
BCR35PN: Features: • Switching circuit, inverter, interface circuit,drive circuit• Two (galvanic) internal isolated NPN/PNP Transistor in one package• Built in bias resistor (R1=10k, R2=47k...
SeekIC Buyer Protection PLUS - newly updated for 2013!
268 Transactions
All payment methods are secure and covered by SeekIC Buyer Protection PLUS.

| Parameter | Symbol |
Values |
Unit |
| Collector-emitter voltage | VCEO |
50 |
V |
| Collector-base voltage | VCBO |
50 | |
| Emitter-base voltage | VEBO |
6 | |
| Input on Voltage | Vi(on) |
20 | |
| DC collector current | IC |
100 |
mA |
| Total power dissipation, TS = 115 | Ptot |
250 |
mW |
| Junction temperature | TJ |
150 |
|
| Storage temperature | Tstg |
- 65 ... + 150 |