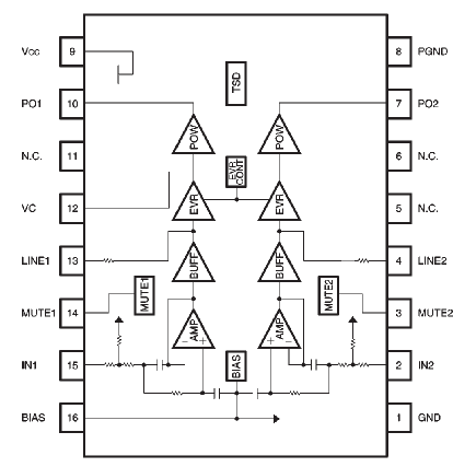
Features: 1) Internal LPF, line amplifier and EVR. 2) Internal mute function. 3) Internal thermal shutdown circuit. 4) No attached oscillation prevention components are needed, even at a load of 8.5) Mute function reduces the popping noises that can occur when the power is turned on and off.Applic...
BH3540AFS: Features: 1) Internal LPF, line amplifier and EVR. 2) Internal mute function. 3) Internal thermal shutdown circuit. 4) No attached oscillation prevention components are needed, even at a load of 8.5...
SeekIC Buyer Protection PLUS - newly updated for 2013!
268 Transactions
All payment methods are secure and covered by SeekIC Buyer Protection PLUS.

| Parameter | Symbol | Limits | Unit | |
| Applied voltage | Vcc | 6.5 | V | |
| Power dissipation | Pd | 500∗ | mW | |
| Operating temperature | Topr | 10 ~ + 75 | °C | |
| Storage temperature | Tstg | 55 ~ + 125 | °C | |