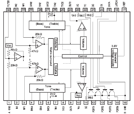
Features: 1) They facilitate direct serial control from a microcomputer of volume (main volume) and tone (bass,treble). DC control is also possible. 2) Volume is produced by a low-distortion, low-noise VCA. Designed to minimize step noise. 3) Input amp can be used for gain adjustment, and matrix s...
BH3854AFS: Features: 1) They facilitate direct serial control from a microcomputer of volume (main volume) and tone (bass,treble). DC control is also possible. 2) Volume is produced by a low-distortion, low-no...
SeekIC Buyer Protection PLUS - newly updated for 2013!
268 Transactions
All payment methods are secure and covered by SeekIC Buyer Protection PLUS.

| Parameter | Symbol | Limits | Unit | |
| Power supply voltage | Vcc | 10.0 | V | |
| Power dissipation | Pd | 1000∗2 | mW | |
| Operating temperature | Topr | 40 ~ +85 | °C | |
| Storage temperature | Tstg | 55 ~ + 150 | °C | |
The BH3854AS and BH3854AFS are signal processing ICs designed for volume and tone control in CD radio cassettes and other audio products. Their three-line serial control enables them to control volume and tone on the basis of signals from a microcomputer, etc.