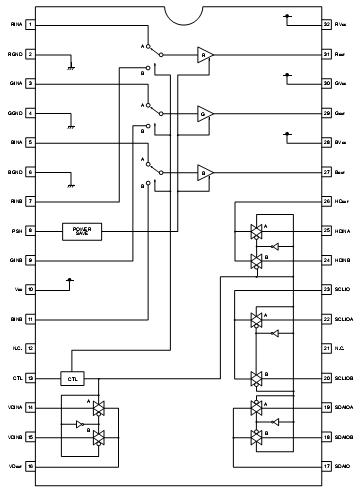
Features: 1) Operates with a 5V power supply voltage.2) Built-in, wide-band switching circuit for RGB switching (fc = 250MHz).3) SDA and SCL as well as HD and VD signal switching is possible.4) Built-in power save function.ApplicationHigh-resolution displays and high-definition TVsPinoutSpecificat...
BH7659S: Features: 1) Operates with a 5V power supply voltage.2) Built-in, wide-band switching circuit for RGB switching (fc = 250MHz).3) SDA and SCL as well as HD and VD signal switching is possible.4) Buil...
SeekIC Buyer Protection PLUS - newly updated for 2013!
268 Transactions
All payment methods are secure and covered by SeekIC Buyer Protection PLUS.

| Parameter | Symbol | Limits | Unit | |
| Power supply voltage | VCC | 8 | V | |
| 1300∗1 (SDIP32) | ||||
| Power dissipation | Pd | 800∗2 (SSOP−A32) | mW | |
| Operating temperature | Topr | 25 ~ + 75 | °C | |
| Storage temperature | Tstg | 55 ~ + 125 | °C |