Features: 1).2)Nch:(Qx).3)(+25V):(Qx).4Application,,,PinoutSpecifications Parameter Symbol Limits Unit VDD -0.3~+7.0 V 1 Pd1 400*1 mW 2 Pd2 650*2 mW Topr -25~+75 Tstg -55~+125 VIN VSS-0.3~VDD+0.3 V (Qx) VO VSS~+25.0 V (Qx) IO 25.0 mA...
BU2099FV: Features: 1).2)Nch:(Qx).3)(+25V):(Qx).4Application,,,PinoutSpecifications Parameter Symbol Limits Unit VDD -0.3~+7.0 V 1 Pd1 400*1 mW 2 Pd2 650*2 mW Topr -25~+75 ...
SeekIC Buyer Protection PLUS - newly updated for 2013!
268 Transactions
All payment methods are secure and covered by SeekIC Buyer Protection PLUS.

| Parameter |
Symbol | Limits | Unit |
| VDD | -0.3~+7.0 | V | |
| 1 | Pd1 | 400*1 | mW |
| 2 | Pd2 | 650*2 | mW |
| Topr | -25~+75 | ||
| Tstg | -55~+125 | ||
| VIN | VSS-0.3~VDD+0.3 | V | |
| (Qx) | VO | VSS~+25.0 | V |
| (Qx) | IO | 25.0 | mA |
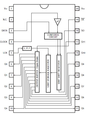
The shift data which is read with the stand rising of CLOCK with the stand rising of LCK, parallel is output in Q0~Q11.