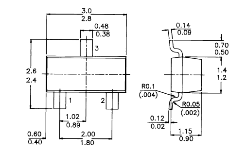
PinoutSpecifications Collector-base voltage (open emitter) VCBO max. 60 V Collector-emitter voltage (open base) VCEO max. 50 V Emitter-base voltage (open collector) VEBO max. 5 A Collector current (peak value) IC max. 150 MA Total po...
CSC2712: PinoutSpecifications Collector-base voltage (open emitter) VCBO max. 60 V Collector-emitter voltage (open base) VCEO max. 50 V Emitter-base voltage (open collector...
SeekIC Buyer Protection PLUS - newly updated for 2013!
268 Transactions
All payment methods are secure and covered by SeekIC Buyer Protection PLUS.
US $.38 - .38 / Piece
DIN Rail Terminal Blocks FEED-THRU, SPRING CLAMP, 20A 600V
DIN Rail Terminal Blocks Feed-thru, Spring Clamp (100)20A, 600V, 22-14AWG, 5mm,Black

| Collector-base voltage (open emitter) |
VCBO |
max. |
60 |
V |
| Collector-emitter voltage (open base) |
VCEO |
max. |
50 |
V |
| Emitter-base voltage (open collector) |
VEBO |
max. |
5 |
A |
| Collector current (peak value) |
IC |
max. |
150 |
MA |
| Total power dissipation at Tamb = 25°C |
Ptot |
max. |
150 |
mW |
| Junction temperature |
Tj |
max. |
150 |
°C |
| D.C. current gain IC = 2 mA; VCE = 6V |
hFE |
min. max. |
70 700 |
|
| Transition frequency IC = 1 mA; VCE = 10 V |
fT |
min. |
80 |
MHz |
| Noise figure at RS = 10 KW IC = 0.1 mA; VCE = 6V; f = 1 kHz |
F |
max. |
10 |
dB |