SCR MOD SPLIT PWR-BLOK 800V 20A
SeekIC Buyer Protection PLUS - newly updated for 2013!
268 Transactions
All payment methods are secure and covered by SeekIC Buyer Protection PLUS.
Features: Sizes 0603 . 2220 High energy absorption, particularly in case of load dump Stable prote...
| Series: | - | Manufacturer: | Powerex Inc |
| Structure: | Independent - SCR/Diode | Number of SCRs, Diodes: | 1 SCR, 1 Diode |
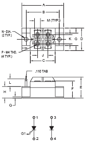
| Package / Case : | TSSOP-38 | Voltage - Off State: | 800V |
| Current - Gate Trigger (Igt) (Max): | 50mA | Current - On State (It (AV)) (Max): | 20A |
| Current - On State (It (RMS)) (Max): | 30A | Current - Non Rep. Surge 50, 60Hz (Itsm): | 365A, 400A |
| Current - Hold (Ih) (Max): | - | Mounting Type: | Chassis Mount |
| Package / Case: | POW-R-BLOK? Module |

| Characteristics |
Symbol |
CT230802 |
Units |
| Peak Forward Blocking Voltage |
VDRM |
800 |
Volts |
| Transient Peak Forward Blocking Voltage (Non-Repetitive), t < 5ms |
VDSM |
960 |
Volts |
| DC Forward Blocking Voltage |
VD(DC) |
640 |
Volts |
| Peak Reverse Blocking Voltage |
VRRM |
800 |
Volts |
| Transient Peak Reverse Blocking Voltage (Non-Repetitive), t < 5ms |
VRSM |
960 |
Volts |
| DC Reverse Blocking Voltage |
VR(DC) |
640 |
Volts |
| RMS On-State Current |
IT(RSM) |
30 |
Amperes |
| Average On-State Current, TC = 87°C |
IT(AV) |
20 |
Amperes |
| Peak One-Cycle Surge (Non-Repetitive) On-State Current (60Hz) |
ITSM |
400 |
Amperes |
| Peak One-Cycle Surge (Non-Repetitive) On-State Current (50Hz) |
ITSM |
365 |
Amperes |
| I2t (for Fusing), 8.3 milliseconds |
I2t |
670 |
A2sec |
| Critical Rate-of-Rise of On-State Current* |
di/dt |
100 |
Amperes/ms |
| Peak Gate Power Dissipation |
PGM |
5.0 |
Watts |
| Average Gate Power Dissipation |
PG(AV) |
0.5 |
Watts |
| Peak Forward Gate Voltage |
VGFM |
10 |
Volts |
| Peak Reverse Gate Voltage |
VGRM |
5.0 |
Volts |
| Peak Forward Gate Current |
IGFM |
2.0 |
Amperes |
| Storage Temperature |
TSTG |
-40 to 125 |
°C |
| Operating Temperature |
Tj |
-40 to 125 |
°C |
| Maximum Mounting Torque M5 Mounting Screw |
- |
17 |
in.-lb. |
| Maximum Mounting Torque M4 Terminal Screw |
- |
12 |
lb.-in. |
| Module Weight (Typical) |
- |
80 |
Grams |
| V Isolation |
VRMS |
2000 |
Volts |