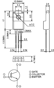
ApplicationStrobe Flasher.PinoutSpecifications Symbol Parameter Conditions Ratings Unit VCES Collector-emitter VGE = 0V 400 V VGES Gate-emitter voltage VCE = 0V, See ±30 V VGEM Peak gate-emitter voltage VCE = 0V, See notice 4 ±40 V ICM Collector current (Pulsed)...
CT30TM-8: ApplicationStrobe Flasher.PinoutSpecifications Symbol Parameter Conditions Ratings Unit VCES Collector-emitter VGE = 0V 400 V VGES Gate-emitter voltage VCE = 0V, See ±30 V ...
SeekIC Buyer Protection PLUS - newly updated for 2013!
268 Transactions
All payment methods are secure and covered by SeekIC Buyer Protection PLUS.
PinoutSpecificationsPart Number: CT301B04C-20Serial Number: CT301LED Type: THRU HOLEIndustry Size:...
PinoutSpecificationsPart Number: CT301B04D-30Serial Number: CT301LED Type: THRU HOLEIndustry Size:...

| Symbol | Parameter | Conditions | Ratings | Unit |
| VCES |
Collector-emitter | VGE = 0V |
400 |
V |
| VGES |
Gate-emitter voltage |
VCE = 0V, See |
±30 |
V |
| VGEM |
Peak gate-emitter voltage |
VCE = 0V, See notice 4 |
±40 |
V |
| ICM |
Collector current (Pulsed) |
VCE = 0V, tw = 0.5s |
180 |
A |
| Tj |
Junction temperature |
See figure 1 |
40 ~ +150 | °C |
Tstg |
Storage temperature |
40 ~ +150 | °C |