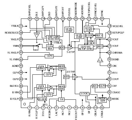
Features: • Carrier balance adjustment unnecessary (Carrier leak above 36 dB against burst)• High S/N• Low power consumption (140mW)Application·CCD cameraPinoutSpecifications• Supply voltage VCC. . . . . . . . . . . . . . . . .. . . . . . .7 V•Storage temperature Tstg...
CXA1592R: Features: • Carrier balance adjustment unnecessary (Carrier leak above 36 dB against burst)• High S/N• Low power consumption (140mW)Application·CCD cameraPinoutSpecifications•...
SeekIC Buyer Protection PLUS - newly updated for 2013!
268 Transactions
All payment methods are secure and covered by SeekIC Buyer Protection PLUS.
