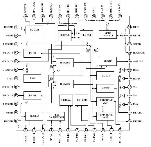
Features: • Electronic recording volume for setting recording level (with a balance volume)• Recording equalizer amplifier (with calibration and low frequency boost functions)• Recording mute function (soft mute and fader possible)• Playback head amplifier switch function (...
CXA1599Q: Features: • Electronic recording volume for setting recording level (with a balance volume)• Recording equalizer amplifier (with calibration and low frequency boost functions)• Rec...
SeekIC Buyer Protection PLUS - newly updated for 2013!
268 Transactions
All payment methods are secure and covered by SeekIC Buyer Protection PLUS.

The CXA1599Q is an IC for audio cassette decks. All analog signal processing functions, except Dolby NR, are incorporated in a single chip. As a result, a double cassette deck system can be simply configured by adding a Dolby IC.