Features: • Permits higher sensitivity with a high-gain AGC amplifier• Blanking function for the purpose of calibrating the deviation in black levels of the CCD output signals• Permits output offset adjustment• Provides a regulator output pin for the reference voltage for A...
CXA1690Q: Features: • Permits higher sensitivity with a high-gain AGC amplifier• Blanking function for the purpose of calibrating the deviation in black levels of the CCD output signals• Per...
SeekIC Buyer Protection PLUS - newly updated for 2013!
268 Transactions
All payment methods are secure and covered by SeekIC Buyer Protection PLUS.

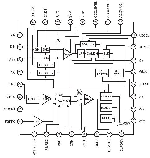
The CXA1690Q is a bipolar IC developed as a head amplifier for digital CCD cameras. The CXA1690Q provides the following functions: correlated double sampling, AGC for CCD signals, GCA for chroma signals, GCA for line signals, sample and hold for A/D converters, blanking, and reference voltage output/output driver for A/D converters.