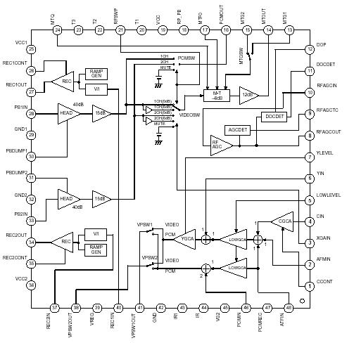
Features: • Recording system• Feedback damping provided in the recording amplifier and its EVR control function facilitate circuit board design.• Y, chroma, and low-band level adjustment functions• Ramp circuit• Playback system• Feedback damping provided in the ...
CXA1704R: Features: • Recording system• Feedback damping provided in the recording amplifier and its EVR control function facilitate circuit board design.• Y, chroma, and low-band level adju...
SeekIC Buyer Protection PLUS - newly updated for 2013!
268 Transactions
All payment methods are secure and covered by SeekIC Buyer Protection PLUS.
