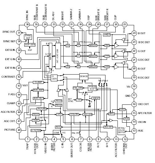
Features: • Both NTSC/PAL compatible• Supports composite inputs, Y/C inputs and Y/color difference input• Band pass filter, trap and delay line• Sharpness function• g compensation circuit• R, B output delay time adjustment circuit• Polarity reverse circuit...
CXA1785AR: Features: • Both NTSC/PAL compatible• Supports composite inputs, Y/C inputs and Y/color difference input• Band pass filter, trap and delay line• Sharpness function• g c...
SeekIC Buyer Protection PLUS - newly updated for 2013!
268 Transactions
All payment methods are secure and covered by SeekIC Buyer Protection PLUS.
