Features: • Built-in video output circuit for use with viewfinders (title insertion function (white or black character), compatible with SY/C and composite video output)• Built-in C system EE/PB switch EE : Electric-Electric monitor mode• Title insertion function (white or black ...
CXA1812Q: Features: • Built-in video output circuit for use with viewfinders (title insertion function (white or black character), compatible with SY/C and composite video output)• Built-in C syst...
SeekIC Buyer Protection PLUS - newly updated for 2013!
268 Transactions
All payment methods are secure and covered by SeekIC Buyer Protection PLUS.

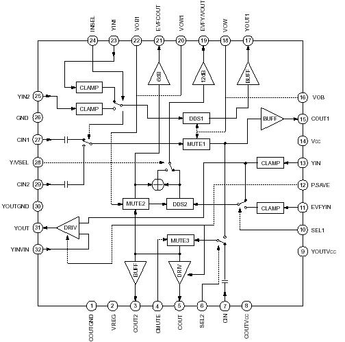
The CXA1812Q is an IC developed for processing video I/O signals in VCRs. This IC has a built-in video output circuit designed especially for use with viewfinders (VF), making this IC optimal for use in camcorders. In addition, both the video input system and the viewfinder video output system provide title insertion functions, making CXA1812Q possible to insert characters and graphics into video signals.