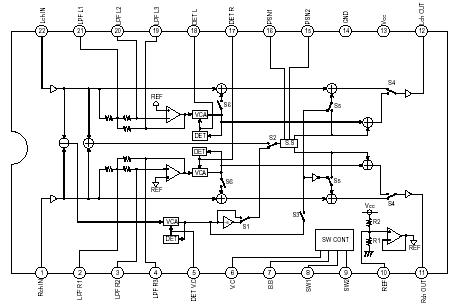
Features: • 3-mode surround (surround A, surround B, simulated stereo)• Vocal cancellation function• Bass boosting functionApplicationCD Radio-cassette tape recorders, equipment with Karaoke functionsPinoutSpecifications• Supply voltage VCC. . . . . . . . . . . . . . . .. ....
CXA1842S: Features: • 3-mode surround (surround A, surround B, simulated stereo)• Vocal cancellation function• Bass boosting functionApplicationCD Radio-cassette tape recorders, equipment wi...
SeekIC Buyer Protection PLUS - newly updated for 2013!
268 Transactions
All payment methods are secure and covered by SeekIC Buyer Protection PLUS.
