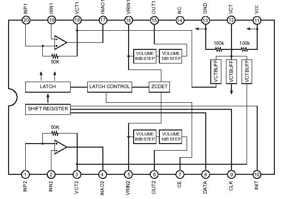
Features: • Volume adjustment (0dB to 87dB, °dB)• Balance• Serial data control (DATA, CLK, CE)• Single 8V power supply• Zero-cross detection circuitPinoutSpecifications• Supply voltage VCC. . . . . . . . . . . . . . . . . .. . . . . . . . . . . .13 V• Ope...
CXA1846AM: Features: • Volume adjustment (0dB to 87dB, °dB)• Balance• Serial data control (DATA, CLK, CE)• Single 8V power supply• Zero-cross detection circuitPinoutSpecification...
SeekIC Buyer Protection PLUS - newly updated for 2013!
268 Transactions
All payment methods are secure and covered by SeekIC Buyer Protection PLUS.

The CXA1846AM/AN is an electrical volume control IC for use in car radios/stereos and radiocassette recorders featuring serial data control. It has improved over the CXA1846M/N by reducing the 'pop' noise during volume level-switchings.