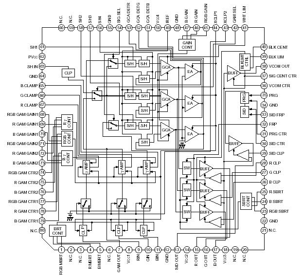
Features: • Built-in RGB signal phase matching sample-andhold circuit• Effective frequency response (18MHz Typ.)• Built-in gain and breakpoint variable 2-point g compensation circuit• Built-in side black generation circuit for 4:3/16:9 aspect conversion• Built-in VCOM...
CXA1853AQ: Features: • Built-in RGB signal phase matching sample-andhold circuit• Effective frequency response (18MHz Typ.)• Built-in gain and breakpoint variable 2-point g compensation circu...
SeekIC Buyer Protection PLUS - newly updated for 2013!
268 Transactions
All payment methods are secure and covered by SeekIC Buyer Protection PLUS.
