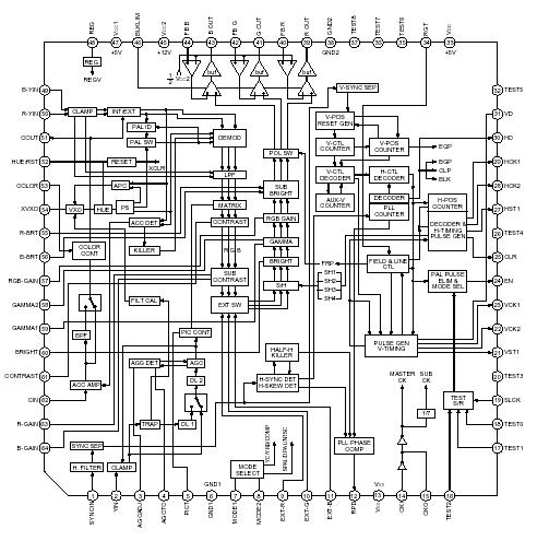
Features: • Color LCD panels LCX009AK/AKB/LCX005BK/BKB driver• Both NTSC/PAL compatible• Supports composite inputs, Y/C inputs and Y/color difference inputs• Band-pass filter, trap and delay line• Sharpness function• 2-point g compensation circuits• R, B o...
CXA1854AR: Features: • Color LCD panels LCX009AK/AKB/LCX005BK/BKB driver• Both NTSC/PAL compatible• Supports composite inputs, Y/C inputs and Y/color difference inputs• Band-pass filter...
SeekIC Buyer Protection PLUS - newly updated for 2013!
268 Transactions
All payment methods are secure and covered by SeekIC Buyer Protection PLUS.

The CXA1854AR is an IC designed exclusively to drive color LCD panels LCX009AK/AKB/LCX005BK/ BKB. This IC greatly reduces the number of circuits and parts required to drive LCD panels by incorporating RGB decoder functions for video signals, driver functions, and a timing generator for driving panels onto a single chip.