Features: • Dolby B-C type NR• Built-in filter required for recording/playback equalizer amplifiers• Recording mute function (requiring only an external time constant circuit to implement soft mute)• Fade in/out DC controllable• NORM/CrO2/METAL tape mode switching fun...
CXA1878Q: Features: • Dolby B-C type NR• Built-in filter required for recording/playback equalizer amplifiers• Recording mute function (requiring only an external time constant circuit to im...
SeekIC Buyer Protection PLUS - newly updated for 2013!
268 Transactions
All payment methods are secure and covered by SeekIC Buyer Protection PLUS.

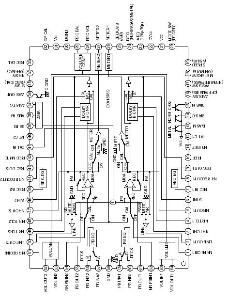
The CXA1878Q is a bipolar IC with a built-in Dolby B-C type noise reduction system (NR), Dolby S type select switch, recording/playback equalizer, electronic volume, and bias control circuit.
Use of this CXA1878Q in combination with two CXA1417S/Q completes a Dolby B-C-S type NR stereo system.