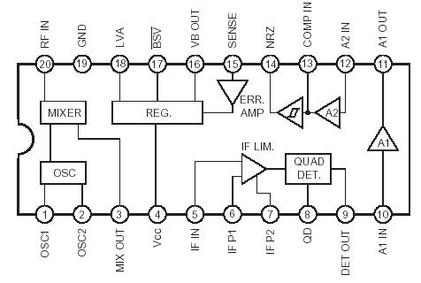
Features: • Low operating voltage 1.0 to 4.0V• Low power consumption 2mA at 1.5V• Built-in power source voltage monitorApplication·IF Amplifier for Paging System ReceiverPinoutSpecifications• Supply voltage Vcc. . . . . . . . . . . . . . . . . .. . . . . . . . . . . 7 VR...
CXA1884N: Features: • Low operating voltage 1.0 to 4.0V• Low power consumption 2mA at 1.5V• Built-in power source voltage monitorApplication·IF Amplifier for Paging System ReceiverPinoutSpec...
SeekIC Buyer Protection PLUS - newly updated for 2013!
268 Transactions
All payment methods are secure and covered by SeekIC Buyer Protection PLUS.
