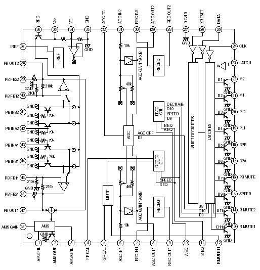
Features: • Recording equalizer Gp and Fp can be adjusted externally.• Recording mute function• AGC (Automatic Gain Control)• Comparator for AMS (Automatic Music Sensor)• Recording/playback equalizer amplifier with 1.7 times speed switching• 11-bit serial data i...
CXA1898Q: Features: • Recording equalizer Gp and Fp can be adjusted externally.• Recording mute function• AGC (Automatic Gain Control)• Comparator for AMS (Automatic Music Sensor)̶...
SeekIC Buyer Protection PLUS - newly updated for 2013!
268 Transactions
All payment methods are secure and covered by SeekIC Buyer Protection PLUS.
