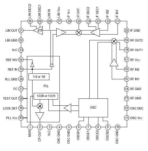
Features: • Includes all functions required for the GPS converter.• Total gain: 110dB or more• Operating supply voltage range: 2.7 to 5.5V• Low current consumption: Icc = 30mA (Typ. at Vcc = 3V)• Excellent temperature characteristicsApplication•GPS (Global Posit...
CXA1951Q: Features: • Includes all functions required for the GPS converter.• Total gain: 110dB or more• Operating supply voltage range: 2.7 to 5.5V• Low current consumption: Icc = 30m...
SeekIC Buyer Protection PLUS - newly updated for 2013!
268 Transactions
All payment methods are secure and covered by SeekIC Buyer Protection PLUS.
