Features: • Single 5V power supply• Filter system can be switched among four modes:1M, 1.6M/2M, which are each inner track/outer track• Filter characteristics can be set to Chebyshev (1dB ripple) for 1.6M, 2M/inner track only, and to Butterworth for the other modes• A custo...
CXA3010Q: Features: • Single 5V power supply• Filter system can be switched among four modes:1M, 1.6M/2M, which are each inner track/outer track• Filter characteristics can be set to Chebysh...
SeekIC Buyer Protection PLUS - newly updated for 2013!
268 Transactions
All payment methods are secure and covered by SeekIC Buyer Protection PLUS.
• Single 5V power supply
• Filter system can be switched among four modes:1M, 1.6M/2M, which are each inner track/outer track
• Filter characteristics can be set to Chebyshev (1dB ripple) for 1.6M, 2M/inner track only, and to Butterworth for the other modes
• A custom selection can be made between Chebyshev (1dB ripple) and Butterworth for the filter characteristics for 1.6M, 2M/inner track only
• Permits customization of the fc ratio
• Low preamplifier input conversion noise voltage of 2.0nV/Hz (typ.) keeps read data output jitter to a minimum
• Preamplifier voltage gain can be switched between 39dB and 45dB
• In inner track mode (OTF = Low), the voltage gain is boosted by 3dB, making it possible to minimize peak shift in inner tracks.
• Time domain filter can be switched between two modes: 1M, 1.6M/2M
• Write current can be switched among three modes: 1M/1.6M/2M. The inner/outer track current ratio is fixed for each mode, but can be customized.
• Erase current can be set by an external resistor,and remains constant. In addition, the current rise time Tr and fall time Tf are determined according to the head inductance and current. (Refer to page 20.)
• Damping resistor can be built in. Resistance can be customized between 2k and 15k in 1k steps. A damping resistor can not be connected to this IC, however.
• Supply voltage detection circuit

• Supply voltage VCC .......................................7.0 V
• Operating temperature Topr ........20 to +75 °C
• Storage temperature Tstg ..........65 to +150 °C
• Allowable power dissipation PD ................500 mW
• Digital signal input pin Input voltage ...0.5 to VCC + 0.3 V
• Power ON output voltage applied .......VCC + 0.3 V
• Erase output voltage applied ..............VCC + 0.3 V
• Write head voltage applied .............................15 V
• Write current IW ......................................20 mAo-p
• Erase current IE ............................................30 mA
• Power on output current .................................7 mA
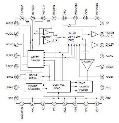
The CXA3010Q is a monolithic IC designed for use with three-mode Floppy Disk Drives, and contains a read circuit (with a four-mode filter system), a write circuit, an erase circuit, and a supply voltage detection circuit, all on a single chip.