Features: • Color LCD panel LCX005BK/BKB, LCX009AK/AKB,LCX024AK/AKB, LCX027AK/AKB and DCX501BK driver• Supports two-panel simultaneous and switching drive using the LCX005BK/BKB, LCX009AK/AKB,LCX024AK/AKB, LCX027AK/AKB and the DCX501BK• Supports NTSC and PAL systems• Suppor...
CXA3017R: Features: • Color LCD panel LCX005BK/BKB, LCX009AK/AKB,LCX024AK/AKB, LCX027AK/AKB and DCX501BK driver• Supports two-panel simultaneous and switching drive using the LCX005BK/BKB, LCX009A...
SeekIC Buyer Protection PLUS - newly updated for 2013!
268 Transactions
All payment methods are secure and covered by SeekIC Buyer Protection PLUS.
• Color LCD panel LCX005BK/BKB, LCX009AK/AKB,LCX024AK/AKB, LCX027AK/AKB and DCX501BK driver
• Supports two-panel simultaneous and switching drive using the LCX005BK/BKB, LCX009AK/AKB,LCX024AK/AKB, LCX027AK/AKB and the DCX501BK
• Supports NTSC and PAL systems
• Supports 16:9 wide display (letter box and pulse elimination display)
• Supports composite inputs, Y/C inputs and Y/color difference inputs
• Serial interface circuit
• Electronic attenuators (D/A converter)
• VCO
• BPF, trap and delay line
• Sharpness function
• 2-point g correction circuit
• R, G, B signal delay time adjustment circuit
• Polarity inversion circuit (line inverted mode)
• Supports external RGB input
• D/A output pin (0 to 3V, 8 levels)
• Supports AC drive for LCD panel during no signal

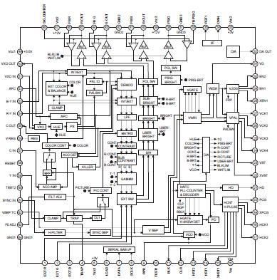
The CXA3017R is an IC designed to drive the color LCD panels LCX005BK/BKB, LCX009AK/AKB,LCX024AK/AKB, LCX027AK/AKB and DCX501BK.
This IC allows two-panel simultaneous and switching drive by simultaneously outputting the timing pulses for the LCX005BK/BKB, LCX009AK/AKB, LCX024AK/AKB,LCX027AK/AKB and DCX501BK.
This IC CXA3017R greatly reduces the number of peripheral circuits and parts by incorporating an RGB decoder,driver, and timing generator for video signals onto a single chip. This chip has a built-in serial interface circuit and electronic attenuators which allow various settings to be performed by microcomputer control,etc.