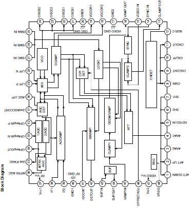
Features: • PLL demodulation characteristics through built-in IF AGC• Compatible with both NTSC and PAL• Applicable for 8 systems worldwide• Keyed AFT input pin to support MUSE reception• Output pin for 1st AGC control• Built-in video clamp circuit• C/N de...
CXA3018R: Features: • PLL demodulation characteristics through built-in IF AGC• Compatible with both NTSC and PAL• Applicable for 8 systems worldwide• Keyed AFT input pin to support MU...
SeekIC Buyer Protection PLUS - newly updated for 2013!
268 Transactions
All payment methods are secure and covered by SeekIC Buyer Protection PLUS.

The CXA3018R is an IC designed for video signal demodulation for satellite broadcasting. This IC has most of the functions needed for demodulation, and provides stable video detection in combination with the CXA3008N.