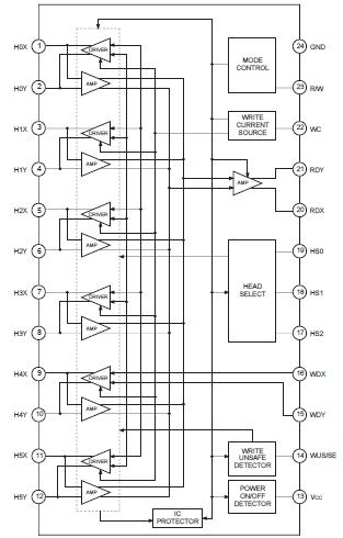
Features: • Operate on single +5 V power supply• Low power consumption Read : 85 mW Write : 115 mW + IW*5• Designed for two terminal thin-film or MIG heads• Read amplifier emitter follower output featuring 360 times gain (typ).• Differential input capacitance for Read...
CXA3170AN: Features: • Operate on single +5 V power supply• Low power consumption Read : 85 mW Write : 115 mW + IW*5• Designed for two terminal thin-film or MIG heads• Read amplifier em...
SeekIC Buyer Protection PLUS - newly updated for 2013!
268 Transactions
All payment methods are secure and covered by SeekIC Buyer Protection PLUS.

The CXA3170AN is a Read/Write Amplifier for the thin film head of hard disk drive and designed to handle up to 6 channel heads.