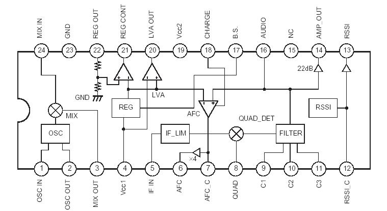
Features: • Low current consumption : 0.95 mA (typ. at VCC1=1.4 V) 0.15 mA (typ. at VCC2=3.0 V)• Small package 24-pin SSOP• Second mixer and oscillator• Needless of IF decoupling capacitor• Reference power supply for operational amplifier• RSSI function (dynamic...
CXA3176N: Features: • Low current consumption : 0.95 mA (typ. at VCC1=1.4 V) 0.15 mA (typ. at VCC2=3.0 V)• Small package 24-pin SSOP• Second mixer and oscillator• Needless of IF decoup...
SeekIC Buyer Protection PLUS - newly updated for 2013!
268 Transactions
All payment methods are secure and covered by SeekIC Buyer Protection PLUS.
