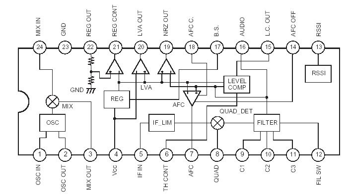
Features: • Low current consumption : 1.1 mA (typ. at VCC=1.4 V)• Low voltage operation : VCC=1.1 to 4.0 V• Small package 24-pin SSOP• Second mixer and oscillator• Needless of IF decoupling capacitor• Reference power supply for operational amplifier and comparat...
CXA3179N: Features: • Low current consumption : 1.1 mA (typ. at VCC=1.4 V)• Low voltage operation : VCC=1.1 to 4.0 V• Small package 24-pin SSOP• Second mixer and oscillator• Need...
SeekIC Buyer Protection PLUS - newly updated for 2013!
268 Transactions
All payment methods are secure and covered by SeekIC Buyer Protection PLUS.
