Features: • Low power consumption (5 V, 69 mA typ.)• Superior cross modulation• Balanced UHF oscillator (4 pins) with excellent oscillation stability• Supports both I2C and 3-wire bus modes• Automatic identification of 18, 19 or 27-bit control (during 3-wire bus mode)...
CXA3250N: Features: • Low power consumption (5 V, 69 mA typ.)• Superior cross modulation• Balanced UHF oscillator (4 pins) with excellent oscillation stability• Supports both I2C and 3...
SeekIC Buyer Protection PLUS - newly updated for 2013!
268 Transactions
All payment methods are secure and covered by SeekIC Buyer Protection PLUS.

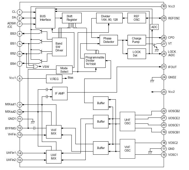
The CXA3250N is a monolithic TV tuner IC which integrates local oscillator and mixer circuits for VHF band, local oscillator and mixer circuits for UHF band, an IF amplifier and a tuning PLL onto a single chip, enabling further miniaturization of the tuner.