Features: • Balanced oscillators with low-phase noise and excellent oscillation stability (UHF: 4 pins, VHF: 2 pins)• High linearity mixer and IF amplifier • IF output switchable between balanced and unbalanced• Low-phase noise PLL synthesizer (3-wire bus format)• Ref...
CXA3275Q: Features: • Balanced oscillators with low-phase noise and excellent oscillation stability (UHF: 4 pins, VHF: 2 pins)• High linearity mixer and IF amplifier • IF output switchable b...
SeekIC Buyer Protection PLUS - newly updated for 2013!
268 Transactions
All payment methods are secure and covered by SeekIC Buyer Protection PLUS.

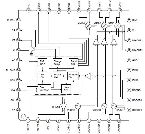
The CXA3275Q is a monolithic tuner IC for single conversion system digital broadcast tuners. This IC integrates three sets of local oscillator and mixer circuits (VHF Low Band/ VHF High Band/UHF Band),an IF amplifier and a tuning PLL onto a single chip, enabling further miniaturization of the tuner.